기술정보
다양한 제품과 솔루션으로 맞춤형 고객만족을 실현합니다.
서지(SURGE)의 개요
- 건축물의 설비기준 등에 관한 규칙
제 20 조(피뢰설비)
ㆍ대상 : 낙뢰의 우려가 있는 건축물, 높이 20m이상의 건축물, 공작품
1. 피뢰설비는 한국산업표준이 정하는 피뢰레벨 등급에 적합한 피뢰설비일 것. 다만, 위험물저장 및 처리시설에 설치하는 피뢰설비는 한국산업 표준이 정하는 피뢰시스템레벨 Ⅱ이상이어야 한다.
2. 돌침은 건축물의 맨 윗부분으로부터 25센티미터 이상 돌출시켜 설치하되,「건축물의 구조기준 등에 관한 규칙」제9조에 따른 설계하중에 견딜 수 있는 구조일 것.
3. 피뢰설비의 재료는 최소 단면적이 피복이 없는 동선을 기준으로 수뢰부, 인하도선 접지극은50제곱밀리미터 이상이거나 이와 동등 이상의 성능을 갖출 것.
4. 피뢰설비의 인하도선을 대신하여 철골조의 철골구조물과 철근콘크리트조의 철근구조체 등을 사용하는 경우에는 전기적 연속성이 보장될 것. 이 경우 전기적 연속성이 있다고 판단되기 위하여는 건축물 금속구조체의 최상단부와 지표레벨 사이의 전기저항이 0.2옴 이하이어야 한다.
5. 측면 낙뢰를 방지하기 위하여 높이가 60미터를 초과하는 건축물 등에는 지면에서 건축물 높이의 5분의 4가 되는 지점부터 최상단부분까지의측면에 수뢰부를 설치하여야 하며, 지표레벨에서 최상단부의 높이가 150미터를 초과하는 건축물은 120미터 지점부터 최상단부분까지의 측면에 수뢰부를 설치할 것.
다만, 건축물의 외벽이 금속부재(部材)로 마감되고, 금속부재 상호간에 제4호 후단에 적합한 전기적 연속성이 보장되며 피뢰시스템레벨 등급에 적합하게 설치하여 인하도선에 연결한 경우에는 측면 수뢰부가 설치된 것으로 본다.
6. 접지(接地)는 환경오염을 일으킬 수 있는 시공방법이나 화학 첨가물 등을 사용하지 아니할 것.
7. 급수·급탕·난방·가스 등을 공급하기 위하여 건축물에 설치하는 금속배관 및 금속재 설비는 전위(電位)가 균등하게 이루어지도록 전기적으로 접속할 것.
8. 전기설비의 접지계통과 건축물의 피뢰설비 및 통신설비 등의 접지극을 공용하는 통합접지공사를 하는경우에는 낙뢰 등으로 인한 과전압으로부터 전기설비 등을 보호하기 위하여 한국산업표준에 적합한서지보호장치(SPD)를 설치할 것. → KS C IEC 61643-11, 61643-12, KS C IEC 60364-5-53
9. 그 밖에 피뢰설비와 관련한 사항은 한국산업표준에 적합하게 설치할 것. → KS C IEC 62305
- 전기설비기술기준 판단기준
제 18조 (접지공사의 종류)
산업통상자원부 고시 2018-102호 (개정공고 : 2018 .03. 09)
제 ⑦ 항
전기설비의 접지계통과 건축물의 피뢰설비 및 통신설비 등의 접지극을 공용하는 통합접지 (국부 접지계통의 상호접속으로 구성되는 그 국부접지계통의 근접구역에서는 위험한 접촉전압이 발생하지 않도록하는 등가 접지계통) 공사를 할 수 있다.
이 경우 제6항의 규정을 따르며, 낙뢰 등에 의한 과전압으로부터 전기설비 등을 보호하기 위해 KS C IEC 60364-5-53-534 (534. 과전압 보호 장치) 또는 한국전기기술기준위원회 기술지침 KECG 9102-2015 에 따라 서지보호장치(SPD)를 설치하여야 한다.
제 ⑧ 항
제7항의 서지보호장치(SPD)는 KS C IEC 61643-11에 적합한 것이어야 한다.
- 피뢰설비 관련 KS 규격
KS C IEC 62305 시리즈 : 건축물의 피뢰설비 보호
KS C IEC 61643 시리즈 : SPD(서지보호장치) 시험 및 적용기준
KS C IEC 60364 시리즈 : 건축전기설비p>
A. 외부 피뢰 시스템
수뢰부(피뢰침) : 보호각법 / 메쉬법 / 회전구체법
인하도선 : 수직 20m 마다의 등전위도체 / 구조체 이용
접지 : 건축물 구조체 접지 / 수직 접지극 / 환상 접지극
B. 내부 피뢰 시스템
본딩 : 건축물 내부 도전부 / 전기기기 / 외부도전부
SPD : 건축물 배전반내 전력선 및 통신선
KS C IEC 62305
- 뇌보호 수준(Protection Level) 설정
| 보호수준 | 보호효율 | 뇌격거리[m] | 뇌격전류[kA] |
|---|---|---|---|
| Ⅰ | 0.99 | 20 | 200 |
| Ⅱ | 0.97 | 30 | 150 |
| Ⅲ | 0.91 | 45 | 100 |
| Ⅳ | 0.84 | 60 | 100 |
KS C IEC 62305
- IEC 62305 규격의 주요 내용
| 규 격 | 주요 내용 |
|---|---|
| IEC 62305-1 : Protection against lightning : General principle |
용어 정의, 뇌전류 파라미터, 낙뢰에 의한 손상, 보호의 필요성과 대책, 건축물과 설비보호의 기준, 뇌영향 평가요소 |
| IEC 62305-2 : Risk management |
위험성 평가 기법, 건축물에 대한 위험요소 평가, 설비에 대한 위험요소 평가 |
| IEC 62305-3 : Physical damage and life hazard |
높이의 제한이 없는 건축물의 뇌보호 시스템 (LPS), 접촉전압과 보폭전압에 의한 인축에 대한 보호대책, 피뢰설비의 설계,시공, 유지관리, 검사에 대한 지침 |
| IEC 62305-4 : Electrical and Electronic systems within structures |
뇌전자펄스 (LEMP)에 대한 보호 : 일반적 사항, 건축물 내의 접지와 본딩, 자기차폐,배선경로, SPD의 요건, 기존 건축물 내의 장비보호 |
| IEC 62305-5 : Services / 삭제 |
통신선로 (광섬유선로, 금속도체선), 전원선, 금속배관 등 -> ITU-T 표준화 이관 / 국내 TTA |
KS C IEC 62305-4 해설서

[피뢰설비 관련 규격의 상관성]
KS C IEC 61643-11
- 저압배전 계통의 서지보호장치
제1부 : 성능 및 시험방법
| 시험 | 요구정보 | 시험파형 |
|---|---|---|
| Ⅰ등급 | Iimp | 10/350㎲ |
| Ⅱ등급 | In | 8/20㎲ |
| Ⅲ등급 | Uoc | 1.2/50㎲, 8/20㎲ |
KS C IEC 61643-11
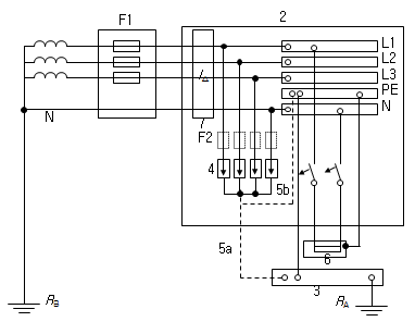
- 건축전기설비 : 전기 기기의 선정 및 시공 ? 절연, 개폐 및 제어 (2005)

1.
2.
3. 주접지단자
4. 서지보호장치 (SPD)
5. 서지보호기의 접지연결, 5a 또는 5b
6. 보호대상기기
7. 누전차단기
F1 설비 기점의 보호장치
F2 SPD 제조업체에서 제안한 보호장치
RA 설비의 접지(접지저항)
RB 전원계통의 접지(접지저항)
- 534.2.4 SPD 고장시 과전류에 대한 보호
SPD 단락에 대한 보호 : 열폭주( thermal runaway, 61643-1, 61643-12) 대책
과전류 보호장치 (F2) : SPD 내장 또는 제조자가 지정한 최대정격의 외부 단로장치
- 534.2.7 절연저항의 측정
배전반에 설치된 절연측정 시험전압에 정격되지 않은 SPD는 차단될 수 있다.
PE선에 연결된 SPD가 콘센트의 일부인 경우 절연저항측정 전압에 견뎌야 한다.
- 534.2.10 접지선의 단면적
설비기점 또는 근처의 SPD 접지선 단면적 : > 4㎟ (구리 ) 직격뢰 보호의 classⅠ SPD의 접지선 단면적 : > 16 ㎟ (구리)
